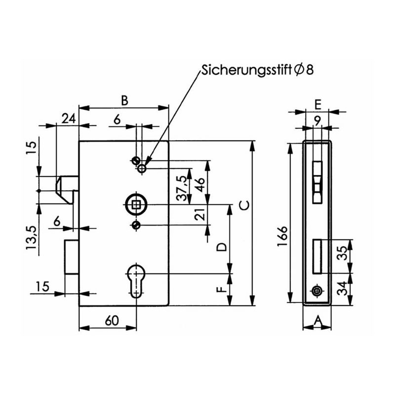
Schlosskasten mit Doppel-Lochung für 2 Schließzylinder nebeneinander. Getrennter Zugang für Eigentümer und zum Beispiel Versorger. Jeder kann unabhängig vom anderen das Objekt betreten.
|
Abbildung
|
Maße
|
Beschreibung
|
Preis
|
|
Schiebetür-Schlosskasten mit 2 PZ-Lochungen nebeneinander
Dornmaß 30/60 mm für getrennte Schließanlagen Kastenbreite 40 mm Nuss 8 mm Hersteller: AMF |
|||
|
Schlosskasten zum Einschweißen mit Dornmaß 40 mm
Kastenbreite 30 mm und 40 mm lieferbar Nuss 8 mm |
|||
|
Schlosskasten zum Einschweißen für Schiebetore, Dornmaß 60 mm
Kastenbreite 30 mm und 40 mm lieferbar Nuss 8 mm |
|||
|
Einsteckschloss für schwere Tore,
einzeln lieferbar ohne Kasten, für Kastendicke 60 mm, Dornmaß 65 mm, Vierkant 8 mm |






































